1. Product information "UltraSOM+ MPSoC Module with AMD Zynq™ UltraScale+™ ZU9EG-1E, 4 GB DDR4, LP"

The Trenz Electronic TE0808-05-9BE21-LZ is a MPSoC module integrating a AMD/Xilinx Zynq™ UltraScale+™ ZU9EG, 4 GByte DDR4 SDRAM and 128 MByte Flash memory for configuration and operation, 20 x serial high speed transceivers, and powerful switch-mode power supplies for all on-board voltages. A large number of configurable I/O's is provided via rugged high-speed stacking connections.
All this on a tiny footprint of 5.2 x 7.6 cm at the most competitive price. These high-density integrated modules are smaller than a credit card and available in several variants.
All parts are at least extended temperature range of 0°C to +85°C. The module operating temperature range depends on customer design and cooling solution. Please contact us for options.
Key Features
-
AMD/Xilinx Zynq™ UltraScale+™ XCZU9EG-1FFVC900E
-
ZU9EG 900 Pin Packages
-
3 mm mounting holes for skyline heat spreader
-
Size: 52 x 76 mm
-
B2B Connectors: 4 x 160 pin
-
Rugged for shock and high vibration
-
4 GByte DDR4 SDRAM, 64-Bit width
-
128 MByte SPI Boot Flash (dual parallel)
-
User I/Os
-
65 x PS MIOs, 48 x PL HD GPIOs, 156 x PL HP GIPIOs (3 banks)
-
Serial transceivers: 4 x PS-GTR, 16 x PL-GTH
-
Transceiver clocks inputs and outputs
-
PLL clock generator inputs and outputs
-
Si5345 - 10 output PLL
-
All power supplies on board, single 3.3V Power required
-
14 on-board DC/DC regulators and 13 LDOs
-
LP, FP, PL separately controlled power domains
-
Support for all boot modes (except NAND) and scenarios
-
Support for any combination of PS connected peripherals
-
Evenly spread supply pins for good signal integrity
Other assembly options for cost or performance optimization plus high volume prices available on request.
2. JESD204B Standard Diagram




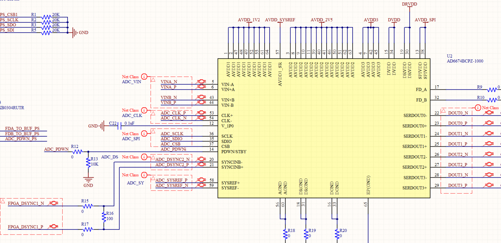
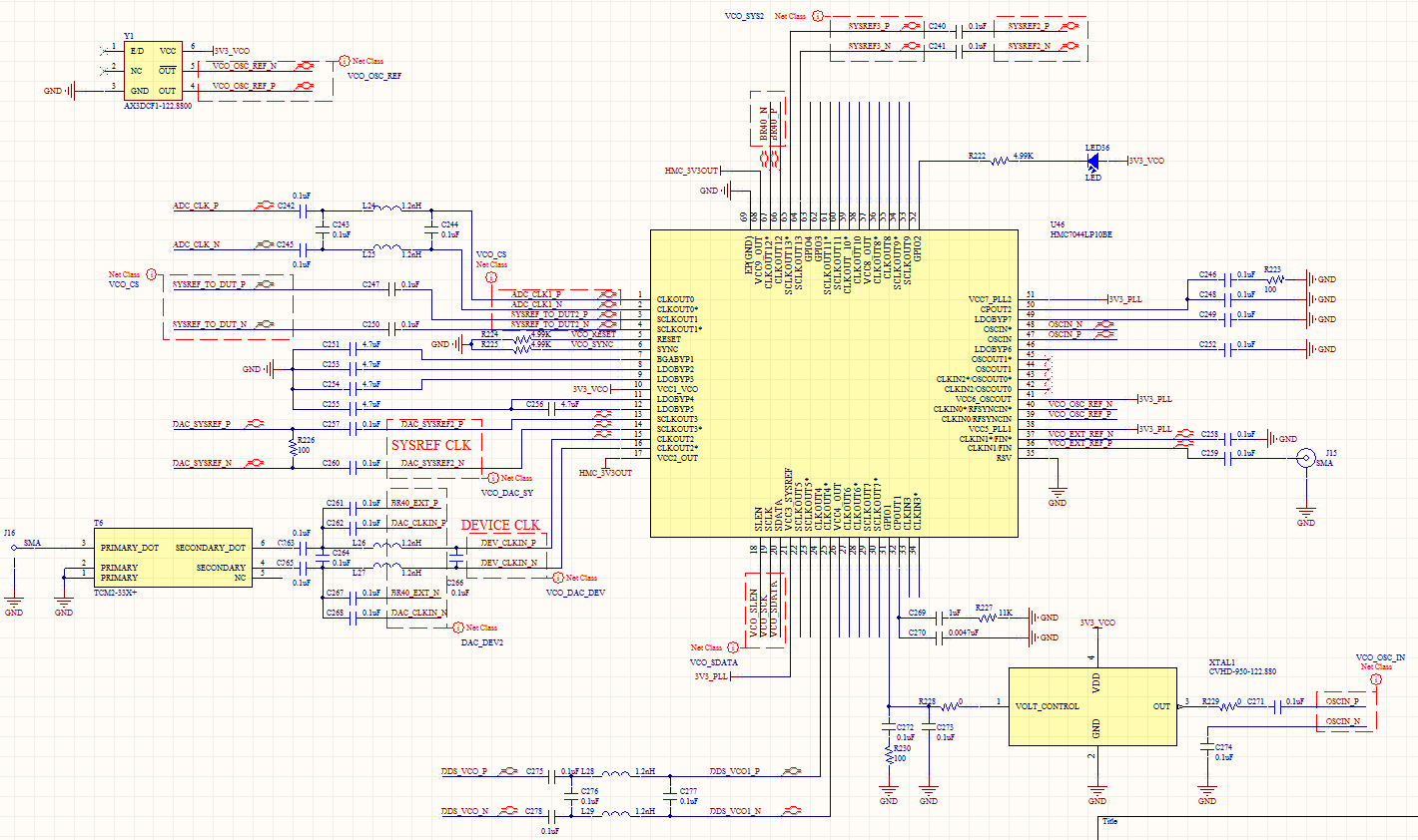
3. Design 1GSPS High speed ADC





4. Progamming Device



5.Result ADC
